




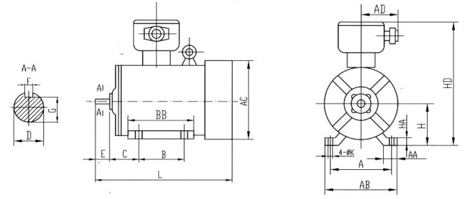
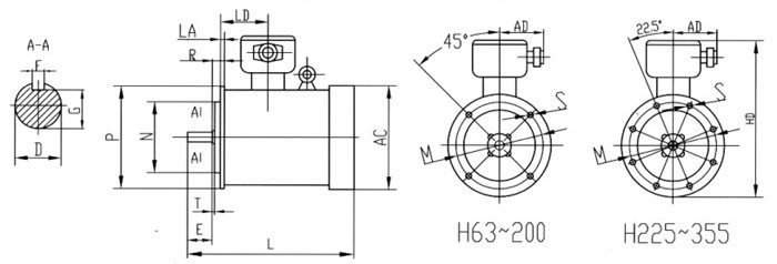
? ? ? ? YBX3?防爆電機又稱YBX3隔爆型三相異步電動機,是YB3防爆電機的通過技術研發開發出的新一代產品,該電機具有高效、節能、溫升裕度大、壽命長、性能好、噪音低、防爆結構**,起動性能優良、外形美觀、可靠性高、運行時不產生電火花、使用維護方便等優點。YBX3防爆電機效率指標符合GB18613-2012《中小型三相異步電動機能效限定值及能效等級》電動機能效2級指標,并與IEC60034-30的IE3連結同等。其功率品級和安置尺寸切合IEC尺度并與YB2、YB3系列電動機雷同,有利于出口設置裝備部署配套利用和原有設置裝備部署的更新替換。YBX3防爆電機的安裝方式符合GB997《電機結構及安裝型式代號》及IEC34-7 的規定。本系列電動機有以下3種基本結構型式: B3有底座,無直連安裝法蘭盤,B5無底座,有直連安裝法蘭盤,B35有底座,有直連安裝法蘭盤。
YBX3防爆電機B3安裝方式對應圖表


YBX3防爆電機B5安裝方式對應圖表


免責聲明:當前頁為 防爆電機 廠家直供YBX3節能防爆電機 臥式防爆電機 三相異步電動機 銅線電機產品信息展示頁,該頁所展示的 防爆電機 廠家直供YBX3節能防爆電機 臥式防爆電機 三相異步電動機 銅線電機產品信息及價格等相關信息均有企業自行發布與提供, 防爆電機 廠家直供YBX3節能防爆電機 臥式防爆電機 三相異步電動機 銅線電機產品真實性、準確性、合法性由店鋪所有企業完全負責。世界工廠網對此不承擔任何保證責任,亦不涉及用戶間因交易而產生的法律關系及法律糾紛,糾紛由會員自行協商解決。
友情提醒:世界工廠網僅作為用戶尋找交易對象,就貨物和服務的交易進行協商,以及獲取各類與貿易相關的服務信息的渠道。為避免產生購買風險,建議您在購買相關產品前務必確認供應商資質及產品質量。過低的價格、夸張的描述、私人銀行賬戶等都有可能是虛假信息,請您謹慎對待,謹防欺詐,對于任何付款行為請您慎重抉擇。
投訴方式:fawu@gongchang.com是處理侵權投訴的專用郵箱,在您的合法權益受到侵害時,請將您真實身份信息及受到侵權的初步證據發送到該郵箱,我們會在5個工作日內給您答復,感謝您對世界工廠網的關注與支持!